1. 電能表接線

圖1:接線端子圖
主接線說明如下:
A相電壓輸入端——2號端子;
B相電壓輸入端——5號端子;
C相電壓輸入端——8號端子;
UN輸入端——10號端子(三相三線電能表不接);A相電流輸入端——1號端子;
A相電流輸出端——3號端子;
B相電流輸入端——4號端子(三相三線電能表不接);B相電流輸出端——6號端子(三相三線電能表不接);C相電流輸入端——7號端子;
C相電流輸出端——9號端子;
輔助接線說明如下:
12號端子——NC
13號端子——RS485A
14號端子——RS485B
15號端子——NC
16號端子——NC17號端子——有功脈沖輸出P_E(-)
18號端子——有功脈沖輸出P_C(+)
19號端子——無功脈沖輸出Q_E(-)
20號端子——無功脈沖輸出Q_C(+)
21號端子——可編程脈沖輸出PRG_E(-)
22號端子——可編程脈沖輸出PRG_E(+)
23號端子——時鐘脈沖輸出CLOCK_E(-)
24號端子——時鐘脈沖輸出CLOCK_C(+)
25號端子——NC
26號端子——NC
27號端子——NC
28、29、30、31號端子——NC

圖2:輔助接線端子配圖

圖3: 三相四線經電壓、電流互感器接入式電能表接線圖

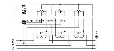
圖4: 三相四線經電流互感器接入式電能表接線圖

圖5: 三相三線經電壓、電流互感器接入式電能表接線圖

圖:6:三相三線經電流互感器接入式電能表接線圖

圖7:三相四線直接接入式電能表接線圖
2. 校驗
本表配有用于校表的光耦隔離脈沖輸出接口及脈沖輸出指示燈。校檢有功電量誤差:“-”端接第17號端子,“+”端接18號端子。校檢無功電量誤差:“-”端接第19號端子,“+”端接20號端子。校檢時鐘誤差誤差:“-”端接第23號端子,“+”端接24號端子。

