DDS720-L是科陸電子根據多年的電表設計經驗,推出的一款全新的微型電能表,體積小巧,安裝方便,可輕松放入各類配電箱和配電柜,集成工業通信接口,可輕松實現與各種智能配電系統的集成,極大地方便了能效管理。
三相電子式有功電能表DTS343-3是威勝集團有限公司專門研發、生產和銷售的電能計量儀表,適用于中小企事業單位、商業用戶和居民用戶的有功電能計量等。
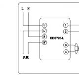
威勝DSSD331-MC3(三相三線)/DTSD341-MC3(三相四線)電能表|電度表接線圖
威勝DSSD331-MC3(三相三線) DTSD341-MC3(三相四線)電能表|電度表的接線圖

